Skip to content Skip to sidebar Skip to footer

John Deere 2 Bag Power Flow Collection System

2018 John Deere 2 Bag Power Flow Collection System For Sale In Florissant Mo Art S Lawn Mower Shop Florissant Mo 314 741 1055

2018 John Deere 2 Bag Power Flow Collection System For Sale In Florissant Mo Art S Lawn Mower Shop Florissant Mo 314 741 1055

John deere 2 bag power flow collection system. Requires rear bagger chute or Power Flow blower and Power Flow chute. JD dealer talked me into a Power Flow bagger system for my 1025R with 60 mower. 2 product ratings - JOHN DEERE Power Flow Belt M147279 62C 62D Three Bag Material Collection System.

Also I now longer sweat like a pig while mowing the lawn. John Deere Power Flow Chute. John Deere 46 Deck Power Flow MCS Leaf Bagger 316 317 318 322 330 332 - 300 Huron OH This fits the 46 mower deck and ONLY the 46 mower deckThis is for the power head only as pictured although I do have a couple of the plastic hopper top bag covers available as wellJohn Deere power flow head assembly from a 46 mower deck off a 318 lawn tractor.

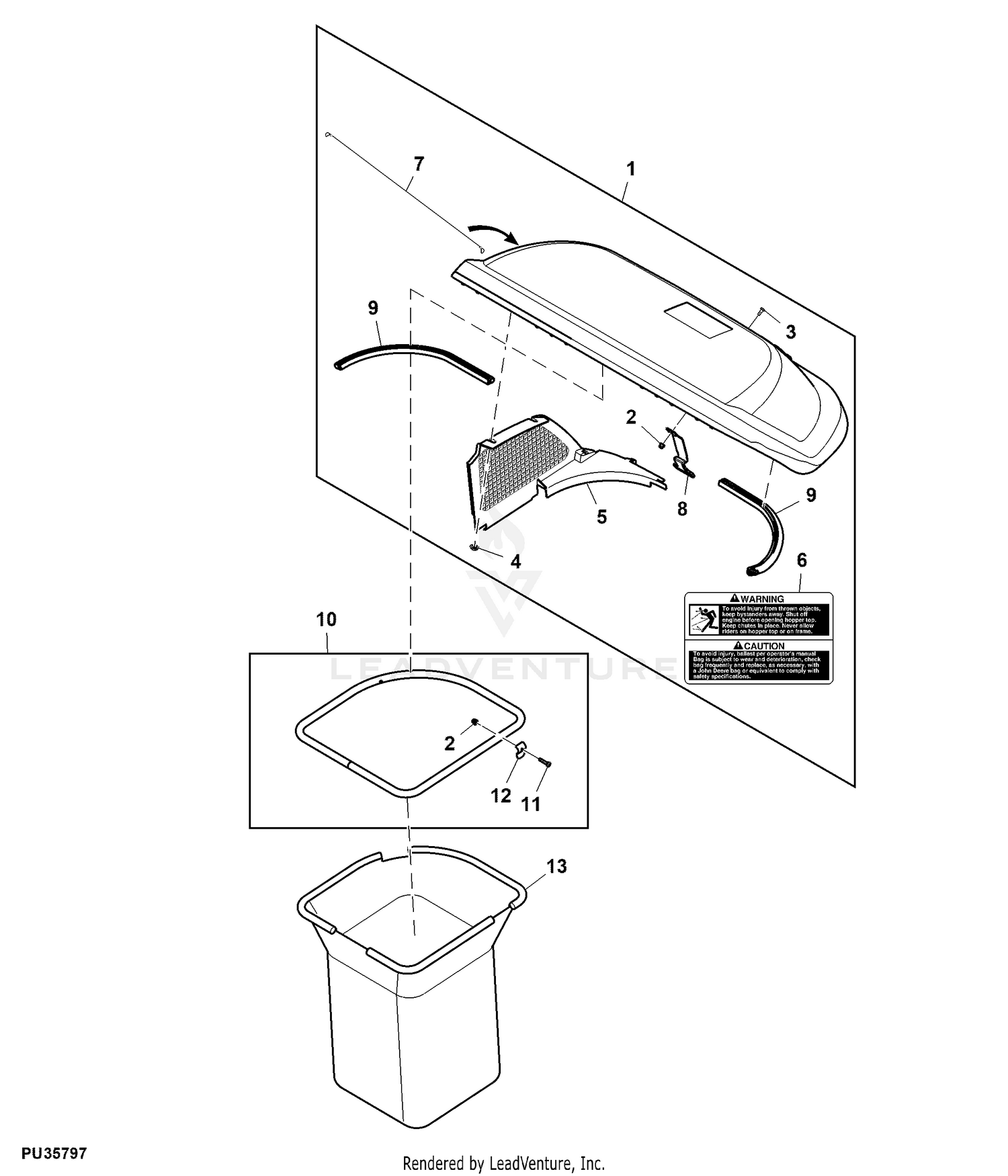
Material collection system MCS hoppers. The Power Flow chute is required along with the high-performance Power Flow blower to use the 2-bag Power Flow material collection system. Upon depletion this item will be replaced by BUC11233 7.

The chute includes a convenient handle and a fill indicator that tells the operator when the bags are getting full. 2-bag Power Flow Collection System Collection System Distributors. POWER FLOW MATERIAL COLLECTION SYSTEM AND 1-AND 2-BAG BAGGERS PC2111 C1 NOV-17 2 8 Power Flow Material Collection System 46-Inch Mower Deck MP8668 A1 1986 Model No Serial Numbers Assigned 1987 Model SN M00PFCB555001-575000.

Chief Equipment - Hicksville. Belgium Belgià Nederlands. The 14-bu 493-L 3-Bag Power Flow Material Collection System increases the versatility of X700 Series Tractors equipped with a 48-in.

John Deere ATTACHMENT MOWER DECKS AND 2 3 BAG POWERFLOW MATERIAL COLLECTION SYSTEM POWER FLOW BLOWER ASSEMBLY X400 X500 X700 LAWN GARDEN TRACTORS high quality parts delivery to Tunisia from 5095 Gabon from 5076 Anguilla from 3827. The Power Flow chute is required along with the high-performance Power Flow blower to use the 2-bag Power Flow material collection system. The Riding Mower Yard Lawn Care Attachments from John DeereLearn more about the features.

Jump to Latest Follow 1 - 5 of 5 Posts. 2018 John Deere 2-Bag Collection System EZtrak Call for Price 2018 John Deere 3-bag Power Flow Collection System Call for Price 2018 John Deere 7P Utility cart Call for Price 2018 John Deere Double-Bar Front Bumper Call for Price 2018 John Deere Front Brush Guard Call for Price.

John Deere 7 Bushel Power Flow Bagger

John Deere 7 Bushel Power Flow Bagger

Venta John Deere Ztrak Material Collection System En Stock

Venta John Deere Ztrak Material Collection System En Stock

John Deere Material Collection System Overview Youtube

John Deere Material Collection System Overview Youtube

Efficiently Collect Material With 7 Bu 247 L Two Bag Hopper Assembly X300 X500 M T

Efficiently Collect Material With 7 Bu 247 L Two Bag Hopper Assembly X300 X500 M T

John Deere Bagger For 54 100 Series Bg20747

John Deere Bagger For 54 100 Series Bg20747

John Deere Two Bag Power Flow Material Collection System Hopper And Frame Kit Material Collection System 2 Bag 7 Bushel

John Deere Two Bag Power Flow Material Collection System Hopper And Frame Kit Material Collection System 2 Bag 7 Bushel

Twin Bagger Power Flow And Chute Complete Package X330 Or X350 48 Deck Minnesota Equipment

Twin Bagger Power Flow And Chute Complete Package X330 Or X350 48 Deck Minnesota Equipment

John Deere Mower Decks Mcs Lx255 Lx266 Lx277 Lx279 Lx288 Gt225 Gt235 Gt235e Gt245 Lt170 Pc2725 Blower Housing 38 Two Bag Power Flow Material Collection System

John Deere Mower Decks Mcs Lx255 Lx266 Lx277 Lx279 Lx288 Gt225 Gt235 Gt235e Gt245 Lt170 Pc2725 Blower Housing 38 Two Bag Power Flow Material Collection System

John Deere High Performance Hp Power Flow Blower Assembly For 54a Bg20749

John Deere High Performance Hp Power Flow Blower Assembly For 54a Bg20749

John Deere Two Bag Power Flow Material Collection System Material Collection System Hopper 2 Bag 7 Bushel For Canada And Usa

John Deere Two Bag Power Flow Material Collection System Material Collection System Hopper 2 Bag 7 Bushel For Canada And Usa

John Deere Power Flow Chute For Bagging Systems Bm21681 Walmart Com

John Deere Power Flow Chute For Bagging Systems Bm21681 Walmart Com

John Deere 48 In Twin Bagger For 100 Series Lawn Tractors Buc10286 The Home Depot

John Deere 48 In Twin Bagger For 100 Series Lawn Tractors Buc10286 The Home Depot

John Deere Power Flow Blower Assembly 62c Mower Pc9146 2002 Model M062hpx010001 Power Flow Blower Assembly 62c Mower Pc9146 Blower Housing 54c Two Bag Powerflow Material Collection System

John Deere Power Flow Blower Assembly 62c Mower Pc9146 2002 Model M062hpx010001 Power Flow Blower Assembly 62c Mower Pc9146 Blower Housing 54c Two Bag Powerflow Material Collection System

John Deere Material Collection System Bm23634 Green Farm Parts

John Deere Material Collection System Bm23634 Green Farm Parts

Power Flow Chute For 14 Bu 493 L 3 Bag Material Collection System Mcs

Power Flow Chute For 14 Bu 493 L 3 Bag Material Collection System Mcs

John Deere 7 Bushel 2 Bag Rear Bagger Hopper Assembly Bm20780 Walmart Com

John Deere 7 Bushel 2 Bag Rear Bagger Hopper Assembly Bm20780 Walmart Com

John Deere 3 Bag Powerflow Mcs 14 Bushel

John Deere 3 Bag Powerflow Mcs 14 Bushel

John Deere Mower Decks Mcs Lx255 Lx266 Lx277 Lx279 Lx288 Gt225 Gt235 Gt235e Gt245 Lt170 Pc2725 Jacksheave Idlers Belt 48c Two Bag Power Flow Material Collection System

John Deere Mower Decks Mcs Lx255 Lx266 Lx277 Lx279 Lx288 Gt225 Gt235 Gt235e Gt245 Lt170 Pc2725 Jacksheave Idlers Belt 48c Two Bag Power Flow Material Collection System

Auctions International Auction Town Of Wales Hwy Surplus 7392 Item John Deere Material Collection System Power Flow Rear Bagger Unit

Auctions International Auction Town Of Wales Hwy Surplus 7392 Item John Deere Material Collection System Power Flow Rear Bagger Unit

My John Deere X380 Lawn Tractor With The Power Mulcher Power Flow Bagger Youtube

My John Deere X380 Lawn Tractor With The Power Mulcher Power Flow Bagger Youtube

John Deere Power Flow For 60 Inch High Capacity Mowers Bg20727

John Deere Power Flow For 60 Inch High Capacity Mowers Bg20727

Commercial Mower Attachments Accessories John Deere Us

Commercial Mower Attachments Accessories John Deere Us

John Deere 54 In Power Flow Twin Bagger For 100 Series Tractors Buc10288 The Home Depot

John Deere 54 In Power Flow Twin Bagger For 100 Series Tractors Buc10288 The Home Depot

1

1

John Deere Power Flow Chute Buc10350 Green Farm Parts

John Deere Power Flow Chute Buc10350 Green Farm Parts

Mc519 Cart Bagger

Mc519 Cart Bagger

Three Bag 14 Bu 493 L Power Flow System For X700

Three Bag 14 Bu 493 L Power Flow System For X700

Amazon Com John Deere Bagger Chute For Z425 Ez Trak Mower Patio Lawn Garden

Amazon Com John Deere Bagger Chute For Z425 Ez Trak Mower Patio Lawn Garden

Twin Bagger Package Z500 Series E Or M Models With 48 Deck Minnesota Equipment

Twin Bagger Package Z500 Series E Or M Models With 48 Deck Minnesota Equipment

48c Attachment Mower Decks And 2 3 Bag Powerflow Material Collection System Power Flow Blower A Power Flow Ss And X700 54c Attachment Epc John Deere Bm24471 Cce Online Avs Parts

48c Attachment Mower Decks And 2 3 Bag Powerflow Material Collection System Power Flow Blower A Power Flow Ss And X700 54c Attachment Epc John Deere Bm24471 Cce Online Avs Parts

John Deere X739 Garden Tractor Bagger Make Fall Leaf Clean Up Easy Material Collection System Mcs Youtube

John Deere X739 Garden Tractor Bagger Make Fall Leaf Clean Up Easy Material Collection System Mcs Youtube

Material Collection System Power Flow Drive Belt For 300 100 D E G And La Series Riding Lawn Mowers Genuine Parts John Deere Products Johndeerestore

Material Collection System Power Flow Drive Belt For 300 100 D E G And La Series Riding Lawn Mowers Genuine Parts John Deere Products Johndeerestore

48c Attachment Mower Decks And 2 3 Bag Powerflow Material Collection System Power Flow Blower A Grass Catcher Epc John Deere M144431ble Cce Online Avs Parts

48c Attachment Mower Decks And 2 3 Bag Powerflow Material Collection System Power Flow Blower A Grass Catcher Epc John Deere M144431ble Cce Online Avs Parts

John Deere 42 In Twin Bagger For 100 Series Tractors Bg20776 The Home Depot

John Deere 42 In Twin Bagger For 100 Series Tractors Bg20776 The Home Depot

John Deere Power Flow Chute Bm21681 2 Bag Bagger

John Deere Power Flow Chute Bm21681 2 Bag Bagger

6 5 Bu 229 L Hopper Chute And Power Flow Blower For 200 Series With 48 In 122 Cm Accel Deep 48a Mower Deck

6 5 Bu 229 L Hopper Chute And Power Flow Blower For 200 Series With 48 In 122 Cm Accel Deep 48a Mower Deck

John Deere Power Flow 60d With 3 Bag Material Collection System 7 Iron 2 000 Cambridge Il Garden Items For Sale Quad Cities Il Shoppok

John Deere Power Flow 60d With 3 Bag Material Collection System 7 Iron 2 000 Cambridge Il Garden Items For Sale Quad Cities Il Shoppok

X590 Bagger And Power Flow Installation My Tractor Forum

X590 Bagger And Power Flow Installation My Tractor Forum

John Deere X500 User S Manual Manualzz

John Deere X500 User S Manual Manualzz

Commercial John Deere 3 Bag Bagger System With Power Flow Northstar Kimball July Consignments 3 K Bid

Commercial John Deere 3 Bag Bagger System With Power Flow Northstar Kimball July Consignments 3 K Bid

Power Flow Bagging System Green Tractor Talk

Power Flow Bagging System Green Tractor Talk

John Deere 54 In Power Flow Twin Bagger For 100 Series Tractors Buc10288 The Home Depot

John Deere 54 In Power Flow Twin Bagger For 100 Series Tractors Buc10288 The Home Depot

Bag It Youtube

Bag It Youtube

John Deere Power Flow 46 With Bagger 100 Baxter Mn Garden Items For Sale Brainerd Mn Shoppok

John Deere Power Flow 46 With Bagger 100 Baxter Mn Garden Items For Sale Brainerd Mn Shoppok

Amazon Com John Deere 3 Bag 14 Bushel Power Flow Bagger For X400 X500 Hdgt And X700s Bm20671 Patio Lawn Garden

Amazon Com John Deere 3 Bag 14 Bushel Power Flow Bagger For X400 X500 Hdgt And X700s Bm20671 Patio Lawn Garden

John Deere Power Flow Bagger 2 Bag Off 318 With Smith Sales Llc

John Deere Power Flow Bagger 2 Bag Off 318 With Smith Sales Llc

John Deere Mower Decks Mcs Lx255 Lx266 Lx277 Lx279 Lx288 Gt225 Gt235 Gt235e Gt245 Lt170 Pc2725 Blower Housing Brackets 48 Inch And 54 Inch Mower Deck Two Bag Power Flow Material Collection System

John Deere Mower Decks Mcs Lx255 Lx266 Lx277 Lx279 Lx288 Gt225 Gt235 Gt235e Gt245 Lt170 Pc2725 Blower Housing Brackets 48 Inch And 54 Inch Mower Deck Two Bag Power Flow Material Collection System

Two Bag 7 Bu 247 L Power Flow System For X700

Two Bag 7 Bu 247 L Power Flow System For X700

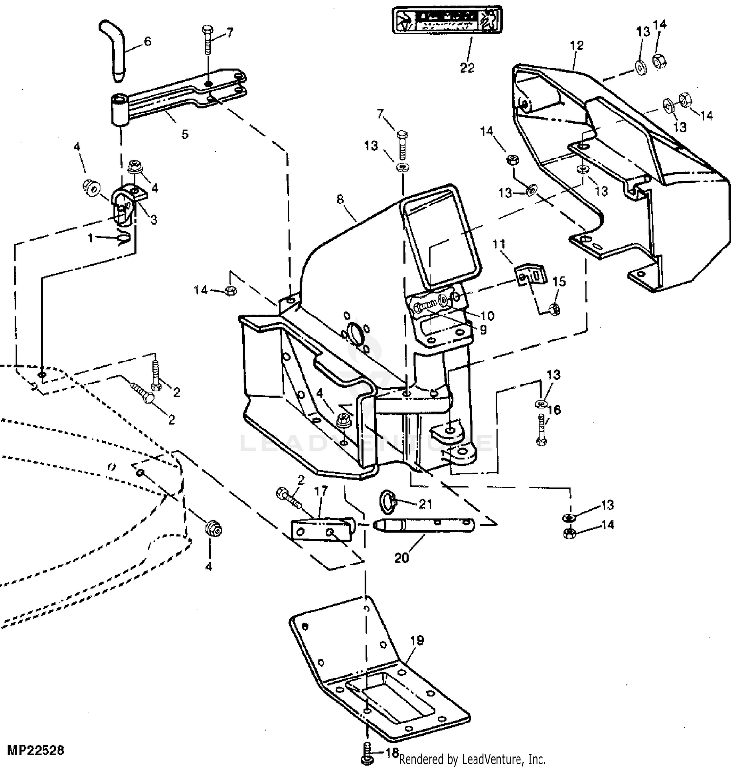
Replacement John Deere Bagger Parts Diagram

Replacement John Deere Bagger Parts Diagram

John Deere 3 Bag 14 Bushel Power Flow Bagger for X400X500 HDGT and X700s BM20671 Brand.

2-bag Power Flow Collection System Collection System Distributors. Jump to Latest Follow 1 - 5 of 5 Posts. The Power Flow chute is required along with the high-performance Power Flow blower to use the 2-bag Power Flow material collection system. John Deere PARTS LOOKUP. Grass Catchers and Bagger Systems for John Deere Toro Exmark. REMOVED FROM X590 WITH 54A MOWER DECK. Overview of a John Deere Material Collection System MCS comprised of a 3-Bin Bagger Chute and Powerflow boot. POWER FLOW MATERIAL COLLECTION SYSTEM AND 1-AND 2-BAG BAGGERS PC2111 C1 NOV-17 2 8 Power Flow Material Collection System 46-Inch Mower Deck MP8668 A1 1986 Model No Serial Numbers Assigned 1987 Model SN M00PFCB555001-575000. The 14-bu 493-L 3-Bag Power Flow Material Collection System increases the versatility of X700 Series Tractors equipped with a 48-in.


John Deere 60D Power Flow With 3 Bag Material Collection System in Excellent ShapeThis set is for a John Deere 1023e 1025r 1026r and maybe more. The Power Flow chute is required along with the high-performance Power Flow blower to use the 2-bag Power Flow material collection system. John Deere has a great range of bagger systems from ranging from two bags to three bags non-power flow to power flow that keeps your lawn professionally clean looking. Requires appropriate rear bagger chute or blower assembly and Power Flow chute. John Deere 3 Bag 14 Bushel Power Flow Bagger for X400X500 HDGT and X700s BM20671 Brand. For LX280 Not LX280 AWS and LX289. Per John Deere policy we continuously improve our products.

Post a Comment for "John Deere 2 Bag Power Flow Collection System"